loveplc

 找回密码
 立即注册
搜索
热搜: 活动 交友
查看: 208|回复: 0

S71200OB组织块介绍

[复制链接]

284

主题

317

帖子

986

积分

管理员

Rank: 9Rank: 9Rank: 9

积分
986
发表于 2019-9-30 15:59:50 | 显示全部楼层 |阅读模式
● 什么是组织块?
组织块是操作系统和用户程序之间的接口。OB 用于执行具体的程序:
1、在 CPU 启动时;
2、在一个循环或延时时间到达时;
3、当发生硬件中断时;
4、当发生故障时;
5、组织块根据其优先级执行。
OB 事件
● 组织块 OB 的类型
图1. OB 事件概览
● 通过上图,可以看到 OB 组织块分为三个优先组,高优先组中的组织块可中断低优先组中的组织块;如果同一个优先组中的组织块同时触发将按其优先级由高到低进行排队依次执行;如果同一个优先级的组织块同时触发时,将按块的编号由小到大依次执行。
● CPU 为三个 OB 优先级组中的每一个组都提供了临时(本地)存储器:
1、16 KB 用于启动和程序循环(包括相关的 FB 和 FC)
2、4 KB 用于标准中断事件(包括 FB 和 FC)
3、4 KB 用于错误中断事件(包括 FB 和 FC)
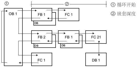
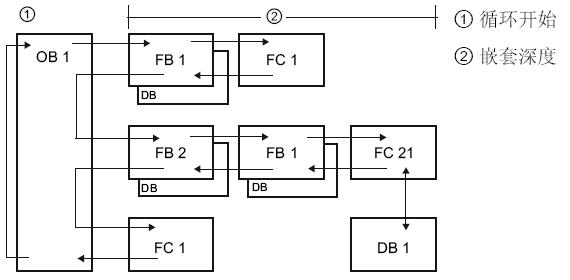
● 嵌套深度:是指可从 OB 调用功能 (FC) 或功能块 (FB) 等程序代码块的深度,如图2所示。
1、从程序循环 OB 或启动 OB 开始调用 FC 和 FB 等程序代码块,嵌套深度为16层;
2、从延时中断、循环中断、硬件中断、时间错误中断或诊断错误中断 OB 开始调用 FC 和 FB 等程序代码块,嵌套深度为4层。
图2 嵌套深度

回复

使用道具 举报

您需要登录后才可以回帖 登录 | 立即注册

本版积分规则

京ICP备17066637号-1|京公网安备|手机版|Archiver|小黑屋|loveplc

GMT+8, 2026-1-22 07:07 , Processed in 0.014854 second(s), 18 queries .

Powered by Discuz! Comsenz Inc.

© 2019 技高志远.

快速回复 返回顶部 返回列表